Skip to content Skip to sidebar Skip to footer

Cessna 310 Fuel System Diagram

2

2

Cessna 310 fuel system diagram. Aircraft evaluation group mkc-aeg department of transportation federal aviation administration 901 locust. And 3 Following installation or. So you start with a thorough pre-flight as set forth in the Pilots Operating Handbook POH including climbing on the wings to visually check fuel quantity on each tank draining fuel from each tank until its water-free and remember that you do these two tasks after each re-fueling not just before the days first flight draining the engine fuel sumps and confirming that theres adequate oil.

310 C-D 310 F-M 310 P-Q 2 x Cont. Wing tip tanks and two 15 gallon 568 L. The advantages of the Cessna 310 over its contemporaries such as the Piper PA-23 were its speed operating costs and aftermarket modifications such as the Robertson STOL kits that made it popular worldwide for its bush flying characteristics.

Repair and Alteration Form Form FAA-337 if applicable. It gives up some payload to the higher-priced model. Cessna wanted a more cost competitive cabin class aircraft and it was able to achieve this by utilizing parts from the existing 400 series models.

Engines installed in 340s from 1972 through 1975. Cessna 310 fuel system diagram. Cessna Model 172r 172s Wiring Diagram 172rwd05 Pdf Figure 1 5 Electrical Wiring Diagrams Sheet I Of 2 Cessna Voltage Regulator Harness And Power Cables Pilots Of America.

Expected Taxi RouteREVIEWED BrakesTEST do not. The Cessna 310 was a common charter aircraft for the many air taxi firms that sprang up in the general aviation boom that followed World War II. STARTING ENGINE Left First PAGE 1.

Room 332 kansas city missouri 64106 telephone816329-3233 fax. Cessna 172 gravity feed fuel system. The early tip-tanked 414s and the later model 414A Chancellors which had wet wing fuel tanks and other modifications including hydraulically operated landing gear.

The 310 has 4 fuel tanks two 50 gal. There are two broad categories of 414s.

Cessna 310 Owner S Manual Using Continental O 470 B Engine G S Plane Stuff

Cessna 310 Owner S Manual Using Continental O 470 B Engine G S Plane Stuff

1968 Cessna 310 Owner S Manual G S Plane Stuff

1968 Cessna 310 Owner S Manual G S Plane Stuff

Ksna C 310 Down Pilots Of America

Ksna C 310 Down Pilots Of America

Light Aircraft Fuel System Design

Light Aircraft Fuel System Design

Cessna C500 Fuel System Hello And Welcome To My Talk On The C500 Fuel System Ppt Video Online Download

Cessna C500 Fuel System Hello And Welcome To My Talk On The C500 Fuel System Ppt Video Online Download

2

2

Oz Cessna 310 Plan Free Download

Oz Cessna 310 Plan Free Download

Cessna Flyer Association Classic Airframe Cutting Edge Powerplant Upgrade And Overhaul Options For Your 206

Cessna Flyer Association Classic Airframe Cutting Edge Powerplant Upgrade And Overhaul Options For Your 206

The Fuel Pressure Problem Webruss Net

The Fuel Pressure Problem Webruss Net

2018 Page 2 Airplane Owner Maintenance

2018 Page 2 Airplane Owner Maintenance

Publications Gc Ca

Publications Gc Ca

Light Aircraft Fuel System Design

Light Aircraft Fuel System Design

Support Cessna Com

Support Cessna Com

Fsims Document Viewer

Fsims Document Viewer

Cessna C500 Fuel System Hello And Welcome To My Talk On The C500 Fuel System Ppt Video Online Download

Cessna C500 Fuel System Hello And Welcome To My Talk On The C500 Fuel System Ppt Video Online Download

The New Carenado C340 Has A Unique Fuel System Carenado Alabeo Support X Plane Org Forum

The New Carenado C340 Has A Unique Fuel System Carenado Alabeo Support X Plane Org Forum

Oz Cessna 310 Plan Free Download

Oz Cessna 310 Plan Free Download

2

2

Cessna Flyer Association Photo Of The Fuel Lines On A 210c Cessna Flyer Forum

Cessna Flyer Association Photo Of The Fuel Lines On A 210c Cessna Flyer Forum

Cessna 421c C421c Golden Eagle Poh Afm Pdf Download Heydownloads Manual Downloads

Cessna 421c C421c Golden Eagle Poh Afm Pdf Download Heydownloads Manual Downloads

11298dwg Piper Pa 11 18 Fuel System Drawing Univair Aircraft Corporation

11298dwg Piper Pa 11 18 Fuel System Drawing Univair Aircraft Corporation

2

2

N Ppt Video Online Download

N Ppt Video Online Download

1

1

2

2

Cessna Ttx Aero Magazine

Cessna Ttx Aero Magazine

2

2

2

2

Kathryn S Report 10 24 19

Kathryn S Report 10 24 19

Build Along Sopwith Camel Update Engine And Fuel System Check Model Airplane News

Build Along Sopwith Camel Update Engine And Fuel System Check Model Airplane News

310 Png Images Pngwing

310 Png Images Pngwing

Fsims Document Viewer

Fsims Document Viewer

2

2

2

2

Cessna Maintenance Parts Manuals

Cessna Maintenance Parts Manuals

40 Airport Diagrams Ideas In 2021 Airport Airport Design Airport Map

40 Airport Diagrams Ideas In 2021 Airport Airport Design Airport Map

Cessna Flyer Association Q A Landing Gear Troubles And A Hydraulic Fluid Leak In An Early 210

Cessna Flyer Association Q A Landing Gear Troubles And A Hydraulic Fluid Leak In An Early 210

Cessna 182 C182j 1966 Owners Manual Manualzz

Cessna 182 C182j 1966 Owners Manual Manualzz

2

2

Amazon Com Cessna 182 Service Repair Maintenance Manual Library Engine 1956 1968 Automotive

Amazon Com Cessna 182 Service Repair Maintenance Manual Library Engine 1956 1968 Automotive

2

2

Cessna 150 Cessna 172 Cessna 152 Cessna 182 Skylane Diagram Cessna 172 Drawing Angle Airplane Png Pngegg

Cessna 150 Cessna 172 Cessna 152 Cessna 182 Skylane Diagram Cessna 172 Drawing Angle Airplane Png Pngegg

Cesana Mercadolivre Com Br

Cesana Mercadolivre Com Br

2

2

2

2

Optimize Your Model S Fuel System Improving Engine Performance And Reliability Model Airplane News

Optimize Your Model S Fuel System Improving Engine Performance And Reliability Model Airplane News

Cessna 310 320 401 402 Exhaust System Itemized Parts List

Cessna 310 320 401 402 Exhaust System Itemized Parts List

2

2

Cessna 310 Model In 7 X5 Wind Tunnel Download Scientific Diagram

Cessna 310 Model In 7 X5 Wind Tunnel Download Scientific Diagram

816329-3241 department of transportation revision.

There are two broad categories of 414s. Total production of 6321 aircraft includes 5741 Cessna 310 and 580 Cessna 320. Check all 4 fuel gauges for full tank if appropriate. Room 332 kansas city missouri 64106 telephone816329-3233 fax. The total fuel weight is 1170 lbs. Each C172S fuel tank holds 28 gallons of fuel 265 is useable 56 gal total 53 useable. You may have to leave some fuel behind. But theres no free lunch. Cessna models 310 and 320.


So beware of over loading the aircraft. Engines installed in 340s from 1972 through 1975. Cessna 172 gravity feed fuel system. So you start with a thorough pre-flight as set forth in the Pilots Operating Handbook POH including climbing on the wings to visually check fuel quantity on each tank draining fuel from each tank until its water-free and remember that you do these two tasks after each re-fueling not just before the days first flight draining the engine fuel sumps and confirming that theres adequate oil. IO-470-D -U -V -VO 260hp 310 R 2 x Cont. You may have to leave some fuel behind. Cessna 310 fuel system diagram.

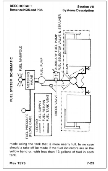
Post a Comment for "Cessna 310 Fuel System Diagram"